- Главная
- Отопление
- Радиаторы отопления
- Биметаллические
- Узел нижнего подключения Герц-3000 двойной угловой G 3/4"
Узел нижнего подключения Герц-3000 двойной угловой G 3/4"
- Обзор
- Характеристики
- Отзывы0
Российская компания РИФАР/RIFAR была создана в 2002 году - является отечественным производителем новейшей серии высококачественных биметаллических и алюминиевых секционных радиаторов, при их изготовлении использует самые современные технологии покраски и испытаний радиаторов. Они идеально подходят для эксплуатации в условиях России, как в автономных системах отопления индивидуальных домов, так и в коллективных системах теплоснабжения коттеджных поселков и в системах центрального отопления многоэтажных зданий и сооружений. Компания изготавливает радиаторы, предназначенные для работы в системах отопления с максимальной температурой теплоносителя до 135°C, рабочим давлением до 2,1 МПа (20 атм) и испытываются при максимальных давлениях 3,1МПа (30 атм).
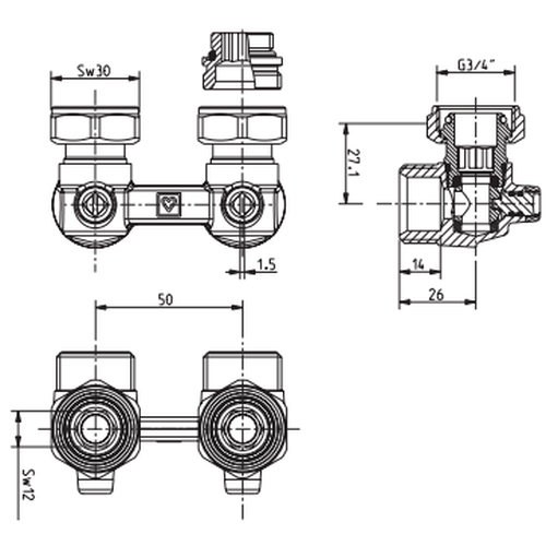
Узел нижнего подключения Герц-3000 двойной угловой - предназначен для двухтрубных систем отопления, изготавливается в Италии специально для радиаторов ТМ RIFAR, совместим с моделями: Rifar Monolit Ventil 350/500, Rifar Base Ventil 200/350/500, Rifar Alp Ventil 500. Подключение к радиатору осуществляется накидной гайкой, подключение к трубам - наружная резьба G 3/4" под фитинг. Узлы нижнего подключения от компании RIFAR - являются проверенными временем компонентами систем отопления, гарантированно совместимые с радиаторами ТМ RIFAR.
Oтдельно продажу данного товара наша компания не осуществляет, поставка Покупателям осуществляется только в комплекте с радиаторами отопления.
ОСНОВНЫЕ ТЕХНИЧЕСКИЕ ХАРАКТЕРИСТИКИ
- Тип - двойной угловой
- Вид соединения - резьбовое
- Система отопления - двухтрубная, нижнее подключение
- Межосевое расстояние - 50 мм
- Подключение к радиатору - G 3/4"
- Наружная резьба со стороны труб для фитингов - G 3/4" (Евроконус)
- Материал - латунь
- Цвет - хром
- Максимальное рабочая температура - 135 гр.C
- Максимальное рабочее давление - 10 бар
- Тип запорной арматуры - шаровой кран
- Гарантия производителя - 12 месяцев
- Страна бренда - Австрия
- Страна производитель - Австрия
Купить узел нижнего подключения Герц-3000 угловой G 3/4" Вы сможете, оформив заказ через сайт или заказать его, позвонив нашим дежурным менеджерам по указанным на сайте телефонам. Наша компания осуществляет доставку заказанных Вами товаров до дверей, а также до терминалов транспортных компаний для отгрузки в регионы.
| Бренд | Rifar |












